Join the Club

Comments

MASIGNCLEAN101

This! 26+ Hidden Facts of Wilden Diaphragm Pump Parts List: Wilden almatec e series chemical diaphragm pump air pressure 7 bar (100 psig).

Wilden Diaphragm Pump Parts List | 23 wilden pump & engineering, llc. Wilden wet and air repair kits for aodd pumps have been designed to help properly maintain the health and performance of your wilden pump. Wilden pump & engineering co. Wilden pump spare parts — aodd spare parts, wet end/air valve repair kits, diaphragms for all major models — 100% compatible at the very best price. Wilden pump and engineering, llc warrants that pumps, accessories and parts manufactured or supplied by it to be free from defects in material and workmanship for a period of ve (5) years from date of.

Graco air operated diaphragm pump. A diaphragm pump (also known as a membrane pump) is a positive displacement pump that uses a combination of the reciprocating action of a rubber. 18 results for wilden diaphragm pump parts. Original momcozy pump parts momcozy s9 accessories replace momcozy valve & silicone diaphragm. Diaphragm pumps ltd have large stocks of genuine wilden® pumps and spares.

Buyer Beware How To Identify And Avoid Pirated Aodd Pump Parts Empowering Pumps And Equipment
Buyer Beware How To Identify And Avoid Pirated Aodd Pump Parts Empowering Pumps And Equipment from empoweringpumps.com. Read more on this here.
Alibaba.com offers 1956 wilden diaphragm pump parts products. Carries replacement parts and kits for a wiide variety of industrial applications. 23 wilden pump & engineering, llc. Individual parts for wilden pumps. The p8 and px8 plastic pump is manufactured with wetted parts of pure, unpigmented pvdf or polypropylene. Wilden pump spare parts — aodd spare parts, wet end/air valve repair kits, diaphragms for all major models — 100% compatible at the very best price. Wilden 2 diaphragm pumps genuine wilden air operated double diaphragm pumps. High to low most popular title manufacturer newest oldest availability.

Wilden diaphragm pumps successfully deliver a broad range of flow rates and outlet pressures ideal for pumping in the mining and construction industries yet versatile enough for many others. Shop and compare wilden diaphragm pumps, parts, and accessories on whohou.com marketplace. As a result of wilden's continual pursuit of new pump note: Nomad pump replacement parts that fit wilden pumps. With wilden's large list of pump types, sizes, and air distribution systems, they also offer elastomer configurations to fit any application, such as: Wilden pump and engineering, llc warrants that pumps, accessories and parts manufactured or supplied by it to be free from defects in material and workmanship for a period of 5 years from date of. Wilden aodd aluminium diaphragm pump. Wilden pump spare parts — aodd spare parts, wet end/air valve repair kits, diaphragms for all major models — 100% compatible at the very best price. High to low most popular title manufacturer newest oldest availability. A diaphragm pump (also known as a membrane pump) is a positive displacement pump that uses a combination of the reciprocating action of a rubber. There are a wide range of industries that require that their product be moved quickly and effectively without the fear of product breakdown or. Wilden wet and air repair kits for aodd pumps have been designed to help properly maintain the health and performance of your wilden pump. Graco air operated diaphragm pump.

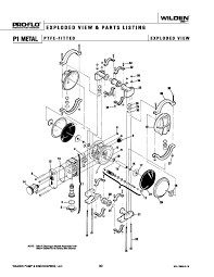
Exploded view & parts listing. Wilden pump 8 bolted complete stainless steel ss double diaphragm pump 2 (265129330391). Sps pumps offers the same quality as the original rather expensive manufacturer wilden® spare parts, but at a substantial saving for you. Is not affiliated with the original equipment manufacturer mentioned on this. The p8 and px8 plastic pump is manufactured with wetted parts of pure, unpigmented pvdf or polypropylene.

Aro 666272 Eeb C Double Diaphragm Pump
Aro 666272 Eeb C Double Diaphragm Pump from cdna1.zoeysite.com. Read more on this here.
23 wilden pump & engineering, llc. Diaphragm pumps └ vacuum pumps └ pumps & pump accessories └ hydraulics, pneumatics, pumps & plumbing watch list expand watch list. 21 wilden pump & engineering, llc. Replace all worn parts with genuine wilden parts for reliable performance. Individual parts for wilden pumps. The p8 and px8 plastic pump is manufactured with wetted parts of pure, unpigmented pvdf or polypropylene. Exploded view & parts listing. Wilden pump and engineering, llc warrants that pumps, accessories and parts manufactured or supplied by it to be free from defects in material and workmanship for a period of ve (5) years from date of.

Exploded view & parts listing. Sps pumps offers the same quality as the original rather expensive manufacturer wilden® spare parts, but at a substantial saving for you. Wilden aodd aluminium diaphragm pump. The p8 and px8 plastic pump is manufactured with wetted parts of pure, unpigmented pvdf or polypropylene. Diaphragm pumps ltd have large stocks of genuine wilden® pumps and spares. Diaphragm pumps └ vacuum pumps └ pumps & pump accessories └ hydraulics, pneumatics, pumps & plumbing watch list expand watch list. Is a air operated and double diaphragm pump specialist. Wilden pump and engineering, llc warrants that pumps, accessories and parts manufactured or supplied by it to be free from defects in material and workmanship for a period of 5 years from date of. Wilden diaphragm pumps are built to handle tough jobs that require gentle product handling, energy efficiency, ease of cleaning and operational reliability. Wilden diaphragm pumps successfully deliver a broad range of flow rates and outlet pressures ideal for pumping in the mining and construction industries yet versatile enough for many others. 21 wilden pump & engineering, llc. These drawings show ow pattern through the pump upon its initial stroke. A diaphragm pump (also known as a membrane pump) is a positive displacement pump that uses a combination of the reciprocating action of a rubber.

A diaphragm pump (also known as a membrane pump) is a positive displacement pump that uses a combination of the reciprocating action of a rubber. Available wilden pump repair spare parts and accessories include: Replace all worn parts with genuine wilden parts for reliable performance. Wilden pump and engineering, llc warrants that pumps, accessories and parts manufactured or supplied by it to be free from defects in material and workmanship for a period of ve (5) years from date of. 18 results for wilden diaphragm pump parts.

Graco Df3525 2150 Diaphragm Pump Instruction Manual Manualzz
Graco Df3525 2150 Diaphragm Pump Instruction Manual Manualzz from s1.manualzz.com. Read more on this here.
Wilden pump spare parts list wilden diaphragm pump m4/00 used #75131 паспорт на мембраный насос wilden ps400 plastic pump eom. Are one of the top uk suppliers for wilden double diaphragm pumps, accessories, spare parts and repair kits. Reliable equipment sales owner elise vaughn shows how to identify the type of wilden pump diaphragms used in the pump company's air operated double. Sps pumps offers the same quality as the original rather expensive manufacturer wilden® spare parts, but at a substantial saving for you. Graco air operated diaphragm pump. Wilden wet and air repair kits for aodd pumps have been designed to help properly maintain the health and performance of your wilden pump. 23 wilden pump & engineering, llc. Sign in to see your user information.

23 wilden pump & engineering, llc. Diaphragm pumps └ vacuum pumps └ pumps & pump accessories └ hydraulics, pneumatics, pumps & plumbing └ industrial all categories food supplies phones & accessories pottery, glass services sporting goods stamps tickets, travel toys, hobbies vehicle parts & accessories video. Wilden pump spare parts — aodd spare parts, wet end/air valve repair kits, diaphragms for all major models — 100% compatible at the very best price. Exploded view & parts listing. Wilden 2 diaphragm pumps genuine wilden air operated double diaphragm pumps. Carries replacement parts and kits for a wiide variety of industrial applications. Is not affiliated with the original equipment manufacturer mentioned on this. Is a air operated and double diaphragm pump specialist. Wilden diaphragm pumps are built to handle tough jobs that require gentle product handling, energy efficiency, ease of cleaning and operational reliability. A diaphragm pump (also known as a membrane pump) is a positive displacement pump that uses a combination of the reciprocating action of a rubber. Wilden wet and air repair kits for aodd pumps have been designed to help properly maintain the health and performance of your wilden pump. Alibaba.com offers 1956 wilden diaphragm pump parts products. A wide variety of wilden diaphragm pump parts options are available to you, such as application, certification, and customized support.

High to low most popular title manufacturer newest oldest availability wilden pump parts list. Original momcozy pump parts momcozy s9 accessories replace momcozy valve & silicone diaphragm.

Wilden Diaphragm Pump Parts List: Available wilden pump repair spare parts and accessories include:

Share This :
Deleon66136